项目基本情况
原公告的采购项目编号:浩宸招字〔2025〕第01028号
原公告的采购项目名称:楚雄技师学院华为现代产业学院实训室装修改造项目
首次公告日期:2025年11月18日
补充信息:
1.采购方式:竞争性磋商
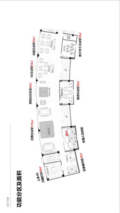
2.补充初步意向布置图,具体详见附件“华为现代产业学院功能分区及面积图”。
更正信息:
1.更正事项:采购需求
更正内容:1.6 采购需求:本项目为建成覆盖学院数字信息类专业人才培养需求的实习实训室。共建设四个实训室:昇腾人工智能实训室、数通实训室、鸿蒙开发实训室、5G通信虚拟仿真实训室。供应商需根据采购人提供的初步功能分区要求,提供设计方案并出具经甲方确认并能指导施工的施工图;并完成本项目的拆除、改造、装修等工作。具体的采购需求内容及技术要求详见磋商文件第六章“采购需求”。
更正为:1.6 采购需求:本项目为建成覆盖学院数字信息类专业人才培养需求的实习实训室。共建设四个实训室:昇腾人工智能实训室、数通实训室、鸿蒙开发实训室、5G通信虚拟仿真实训室。供应商需根据采购人提供的初步功能分区要求,提供设计方案并出具经甲方确认并能指导施工的施工图;并完成本项目的拆除、改造、装修等工作。装修改造面积约686平方米,具体装修改造范围以采购人实际确定的为准。详细采购需求内容及技术要求详见磋商文件第六章“采购需求”。
2.更正事项:踏勘现场
更正内容:1.9.1 踏勘现场:不组织。供应商自行组织踏勘,交通、安全及费用自理。
更正为:1.9.1 踏勘现场:组织。
(1)踏勘时间:2025年11月25日10时00分
(2)集合地点:楚雄技师学院匠心广场(楚雄市鹿城镇青龙社区茶花大道649号)
(3)供应商参与人员:建议供应商委派知晓项目情况及技术的项目经理或技术负责人。
(4)踏勘会议流程:
①供应商集合;
②采购人代表统一带领,对现场工程情况、要求进行解说;
③会议室内对供应商疑问统一收集。
踏勘会议要求:
①供应商代表应遵守现场踏勘的工作纪律,严格执行现场踏勘计划,按时按点到达现场。踏勘现场过程中不得擅自离开现场,踏勘过程中保持会场安静,不大声喧哗攀谈。
②踏勘后会议现场,由代理机构工作人员统一收集供应商疑问。会后采购人对供应商疑问解答后,统一以书面形式进行答复。
③本次现场踏勘为自愿参加,供应商参加与否,不作为投标或评审的因素。
④供应商踏勘现场发生的费用自理,自行负责踏勘中的人员伤亡和财产损失。采购人介绍的现场情况仅供参考,不对供应商据此作出的判断和决策负责。
其他补充事宜
其他内容不变,请各供应商以更正后的采购文件为准,由此给各供应商带来的不便,敬请谅解!
凡对本次公告内容提出询问,请按以下方式联系
采购人:楚雄技师学院
地 址:楚雄市鹿城镇青龙社区茶花大道649号
联系人:张老师
联系电话:13708783257
招标代理机构:楚雄浩宸工程项目管理有限公司
办公地址:楚雄市鹿城镇中大街395号
联系电话:0878-6991278
项目联系人:陈工
联系电话:18187859513
附件:华为现代产业学院功能分区及面积图
